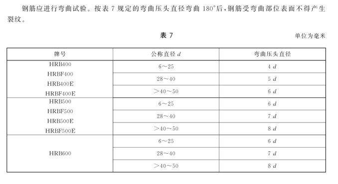
冷彎沖頭用于鋼筋彎曲試驗。符合 GB/T 1499.2-2018《鋼筋混凝土用鋼 第2部分:熱軋帶肋鋼筋》的標準要求。
您的瀏覽器版本過低,為保證更佳的瀏覽體驗,請點擊更新高版本瀏覽器
以后再說X


冷彎沖頭
冷彎沖頭用于鋼筋彎曲試驗。符合 GB/T 1499.2-2018《鋼筋混凝土用鋼 第2部分:熱軋帶肋鋼筋》的標準要求。
1、適用于熱軋帶肋鋼筋HRB400/HRBF400/HRB400E/HRBF400E公稱直徑為6~32mm;
其中彎曲試驗(180°)所用彎曲壓頭:24/32/40/48/56/64/72/80/88/100/140/160;
反向彎曲試驗(正向90°)所用彎曲壓頭:30/40/50/60/70/80/90/100/110/125/168/192;
2、熱軋光圓鋼筋彎曲試驗(180°)用彎曲壓頭, 適用于熱軋光圓鋼筋 HPB300公稱直徑為6~22mm(每2mm一個規格)
彎曲壓頭直徑(mm):6 8 10 12 14 16 18 20 22

Copyright ? 2012-2021 北京中科路達試驗儀器有限公司 版權所有 備案號:京ICP備2021036537號-2 網站地圖